Published:2011/7/2 20:57:00 Author:Lucas | Keyword: simple, fluorescent lamp, driver circuit | From:SeekIC

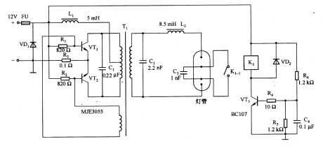
It is a self-excited push-pull converter which is conmposed of transformer and transistor. In the circuit, the transistor VT3, relay Kl, resistor R6 and capacitor C4 form the preheat circuit of fluorescent tube, and warm-up time is about 40Oms. When the relay Kl releases, then C3 is connected to the two ends of tube, it makes a certain voltage and current wave shape and increases the lamp power factor. Diode VDl and fuse FU are used to prevent reverse polarity voltage. Circuit switching frequency is about 25kHz, and its conversion efficiency is 75%.
Reprinted Url Of This Article:
http://www.seekic.com/circuit_diagram/Basic_Circuit/The_simple_fluorescent_lamp_driver_circuit.html
Print this Page | Comments | Reading(3)
Code: