Published:2011/7/6 8:47:00 Author:Lucas | Keyword: value circuit | From:SeekIC

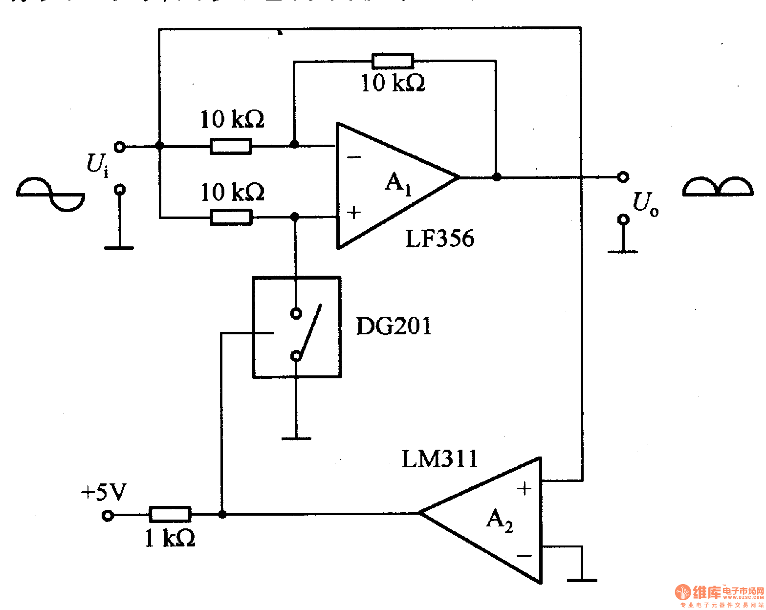
The circuit uses DG201 analog switch circuit and the zero-crossing comparator to control the polarity of the amplifier Al (in-phaseor inverting amplifier). When analog switch DG2O1 is off and the input signal is in positive half cycle, A2 output is in high level, and Al is a follower; when input signal is in negative half cycle, A2 output is in low level, then DGO1 is connected, and Al is equivalent to the inverting amplifier. In the circuit, A2 and DG2O1 is limited by the highest frequency, and the operating frequency is about lOkHz.
Reprinted Url Of This Article:
http://www.seekic.com/circuit_diagram/Basic_Circuit/The_value_circuit_composed_of_DG201.html
Print this Page | Comments | Reading(3)
Code: