Published:2011/11/28 21:37:00 Author:Ecco | Keyword: FM transmitter | From:SeekIC










Reprinted Url Of This Article:
http://www.seekic.com/circuit_diagram/Basic_Circuit/The_whole_FM_transmitter_circuit.html
Print this Page | Comments | Reading(3)
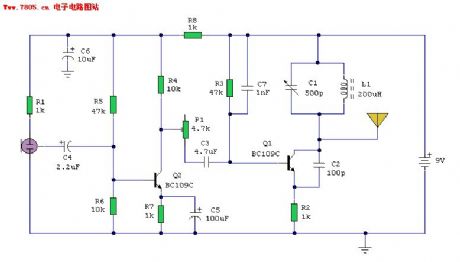
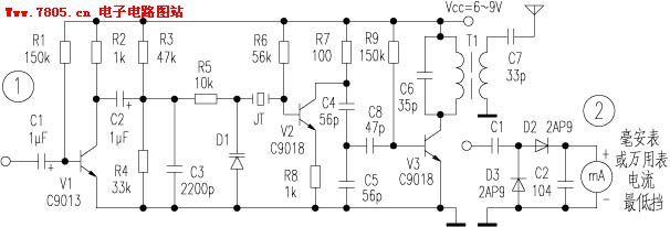
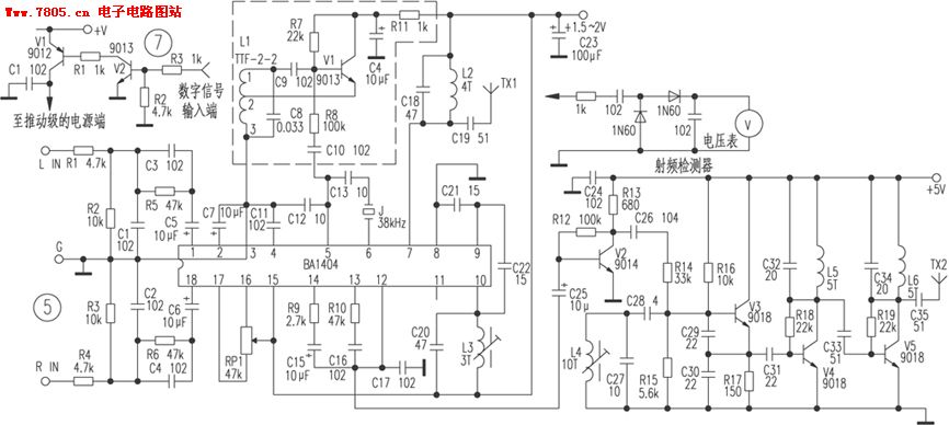
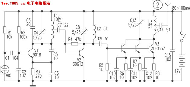
Code: