Published:2014/3/6 20:55:00 Author:lynne | Keyword: Three-phase full-bridge application circuit diagram, | From:SeekIC

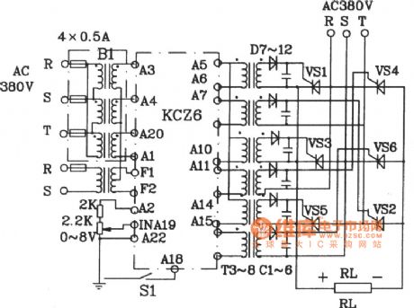
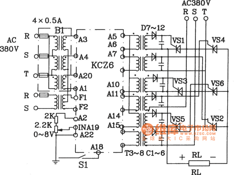
Pulse transformer can be tank-shaped Mn-Zn ferrite. Generally used U30 core or SEAR2: l pulse transformer. Three-phase full-bridge circuit diagram shown in Figure Application...
Reprinted Url Of This Article:
http://www.seekic.com/circuit_diagram/Basic_Circuit/Three_phase_full_bridge_application_circuit_diagram.html
Print this Page | Comments | Reading(3)
Code: