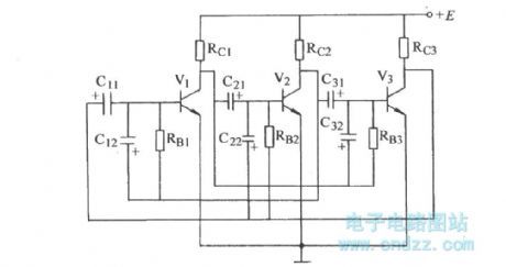
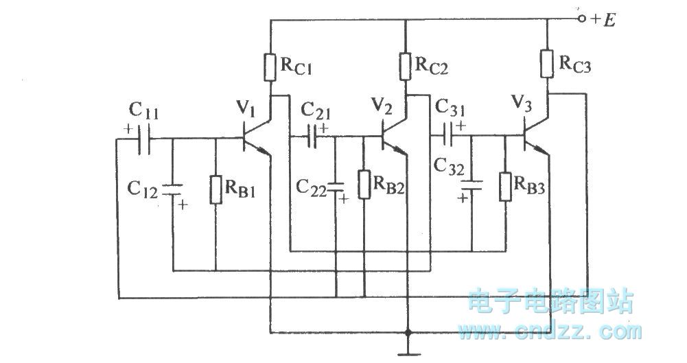
Published:2011/9/12 20:48:00 Author:Ecco | Keyword: Three-tube astable circuit | From:SeekIC

Reprinted Url Of This Article:
http://www.seekic.com/circuit_diagram/Basic_Circuit/Three_tube_astable_circuit_2.html
Print this Page | Comments | Reading(3)
Code: