Published:2011/5/20 23:51:00 Author:Lucas | Keyword: Time relay | From:SeekIC

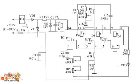
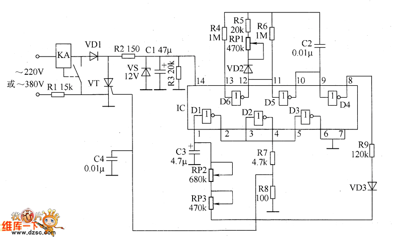
The relay circuit is composed of +12 V power supply circuit, oscillator circuit, delay trigger circuit and electronic switching circuit, the circuit is shown as the chart. +12 V power supply circuit consists of resistors R1 ~ R3, intermediate relay KA coil, diode VD1, Zener diode VS and filter capacitor C1. Oscillation circuit is composed of NOT gate IC (D1 ~ D6) within the NOT gates D5, D6, and capacitor C2, resistors R4 ~ R6, potentiometer RP1, diode VD2. Delay trigger circuit is composed of the IC within the NOT gates Dl, D2, D4, resistors R9, potentiometers RP2, RP3, capacitor C3 and diode VD3. Electronic switching circuit consists of intermediate relay KA, intergranular tube VT, resistors R7, R8 and capacitor C4.
Reprinted Url Of This Article:
http://www.seekic.com/circuit_diagram/Basic_Circuit/Time_relay_circuit_diagram_1.html
Print this Page | Comments | Reading(3)
Code: