© 2008-2012 SeekIC.com Corp.All Rights Reserved.
Published:2011/6/20 1:53:00 Author:TaoXi | Keyword: Time-scale, programmable, frequency divider | From:SeekIC


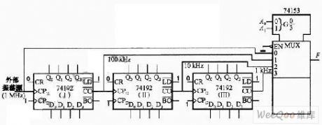
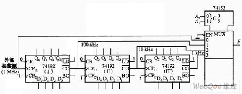
Time-scale circuit
The sequence signal generator:
Design steps: the first step is to form a model P counter; the second step is to select the appropriate data selector. You need to add the sequence which you want to produce to the data input port of the data selector in specified order, and you also need to connect the address port with the output port of the counter, the output port of the data selector will produce the sequence signal.
The programmable frequency divider: the counter can divide the frequency of the count pulse, and you can change the frequency dividing ratio by changing the mode of the counter. According to the principle, we can use the integrated counter to form the frequency divider that has the changeable frequency dividing ratio, it is the programmable frequency divider.
Reprinted Url Of This Article:
http://www.seekic.com/circuit_diagram/Basic_Circuit/Time_scale_circuit_and_the_programmable_frequency_divider_circuit.html
Print this Page | Comments | Reading(3)
Response in 12 hours
© 2008-2012 SeekIC.com Corp.All Rights Reserved.
Code: