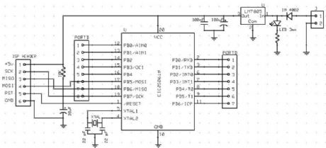
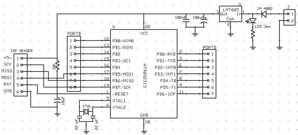
Published:2013/1/29 21:21:00 Author:muriel | Keyword: Tiny , 2313 , Project Development Board | From:SeekIC

Reprinted Url Of This Article:
http://www.seekic.com/circuit_diagram/Basic_Circuit/Tiny_2313_Project_Development_Board.html
Print this Page | Comments | Reading(3)
Code: