Published:2011/6/3 12:30:00 Author:Michel | Keyword: Transistor, Actinometer Circuit | From:SeekIC

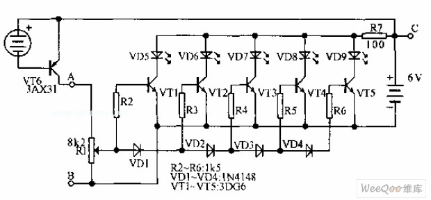
When solar cells are exposed to light,the generating voltge gets VT6 on state.VT6's conduction is proportional to the degree of light intensity.VT6 conducting electricity drops in R1,VT1 ~ VT5 base gets positive voltage.Thus VT1 ~ VT5 are in different working condition and some of VD5~VD9 are bright and some are dark.The intensity of the signal level isindicated,which means the intensity of illumination is also indicated.
Reprinted Url Of This Article:
http://www.seekic.com/circuit_diagram/Basic_Circuit/Transistor_Actinometer_Circuit.html
Print this Page | Comments | Reading(3)
Code: