Published:2011/7/13 8:24:00 Author:Michel | Keyword: DC/DC Converter Circuit | From:SeekIC

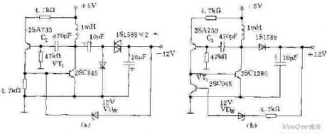
The above picture is a small power DC/DC converter circuit composed of transistor.Picture (a) is the circuit which turns +5V input voltage to -12V output voltage.Picture (b) is the circuit which turns +5V input voltage to +12V output voltage.For any circuit,it's feedback to driving transistor VT1 if the output voltage exceeds voltage regulator tube VDw,which keeps stable output voltage.Thus, output voltage is equal to stable voltage of the voltage regulator tube.And the output voltage can be adjusted if the stble voltage is changed.It works if the capacitance C1 value is changed when the circuit does not oscillate.The output current is 15~20mA,voltage stablity is around 5% and the efficiency is 80%~90%.
Reprinted Url Of This Article:
http://www.seekic.com/circuit_diagram/Basic_Circuit/Transistor_DC_DC_Converter_Circuit.html
Print this Page | Comments | Reading(3)
Code: