Published:2011/5/8 20:42:00 Author:Christina | Keyword: Transistor, internal circuit | From:SeekIC

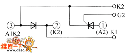
The Transistor PK130F160 internal circuit is as shown:
Reprinted Url Of This Article:
http://www.seekic.com/circuit_diagram/Basic_Circuit/Transistor_PK130F160_internal_circuit.html
Print this Page | Comments | Reading(3)
Code: