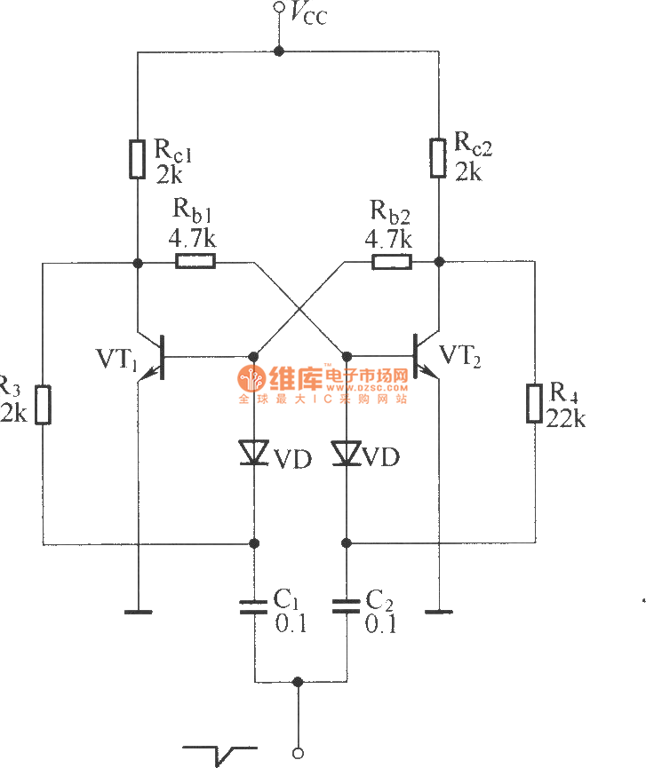
Published:2011/12/6 1:34:00 Author:Ecco | Keyword: Transistor, bistable trigger | From:SeekIC

Reprinted Url Of This Article:
http://www.seekic.com/circuit_diagram/Basic_Circuit/Transistor_bistable_trigger_circuit.html
Print this Page | Comments | Reading(3)
Code: