Published:2011/7/5 7:08:00 Author:Lucas | Keyword: Triangle / sine wave converter | From:SeekIC

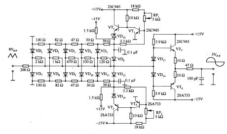
This is the approximate polygonal circuit, which could change the sine wave in triangular wave, and it is widely used in the sine function generator. In the circuit, VTl-VT4 are used as power circuit of VD6, VDl2, and the voltage changes with temperature, then V is available as a sensor to detect the ambient temperature. RP1 and RP2 could adjust the positive and negative voltage. For reducing distortion, they should be interactive adjusted to make high-order harmonic distortion in 0.2% to 0.5% . VT5 and VT6 are the push-pull buffer amplifiers with the load impedance in lkΩ. For driving 500 load, it should be added the broadband amplifier with four times gain.
Reprinted Url Of This Article:
http://www.seekic.com/circuit_diagram/Basic_Circuit/Triangle___sine_wave_converter_circuit.html
Print this Page | Comments | Reading(3)
Code: