Published:2011/7/7 14:27:00 Author:Michel | Keyword: Triangle, Square, Wave Circuit | From:SeekIC

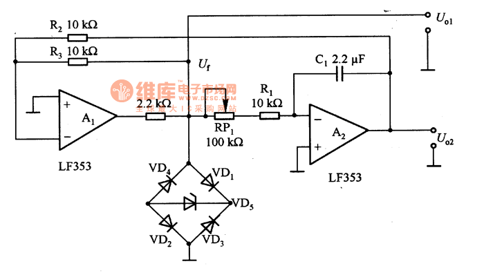
The picture is triangle and square wave circuit composed of LF353.The circuit consists of lag comparator A1 and inverse integrator A2,charging and discharging time constant is determinded by (RRP1 + R1) and C1.Now we explain the the oscillation working principle by positive or negative saturated state of A1 when the power supply turns on.
If A1 outputs positive voltage, limiting circuit composed of VD1~VD5 and its voltage +UoH is equal to the voltage of voltage regulator diode and diode forward voltage.Integrators A2 intergrates + UoH voltage and the output voltage U。2 is equal to -UoH/(RRP1+R1)C1(V/s) and A2 output quickly enters saturated state.
Reprinted Url Of This Article:
http://www.seekic.com/circuit_diagram/Basic_Circuit/Triangle_and_Square_Wave_Circuit_of_LF353.html
Print this Page | Comments | Reading(3)
Code: