Published:2011/6/30 2:59:00 Author:Ecco | Keyword: Two-dimensional , lantern controller , analysis , manufacture | From:SeekIC


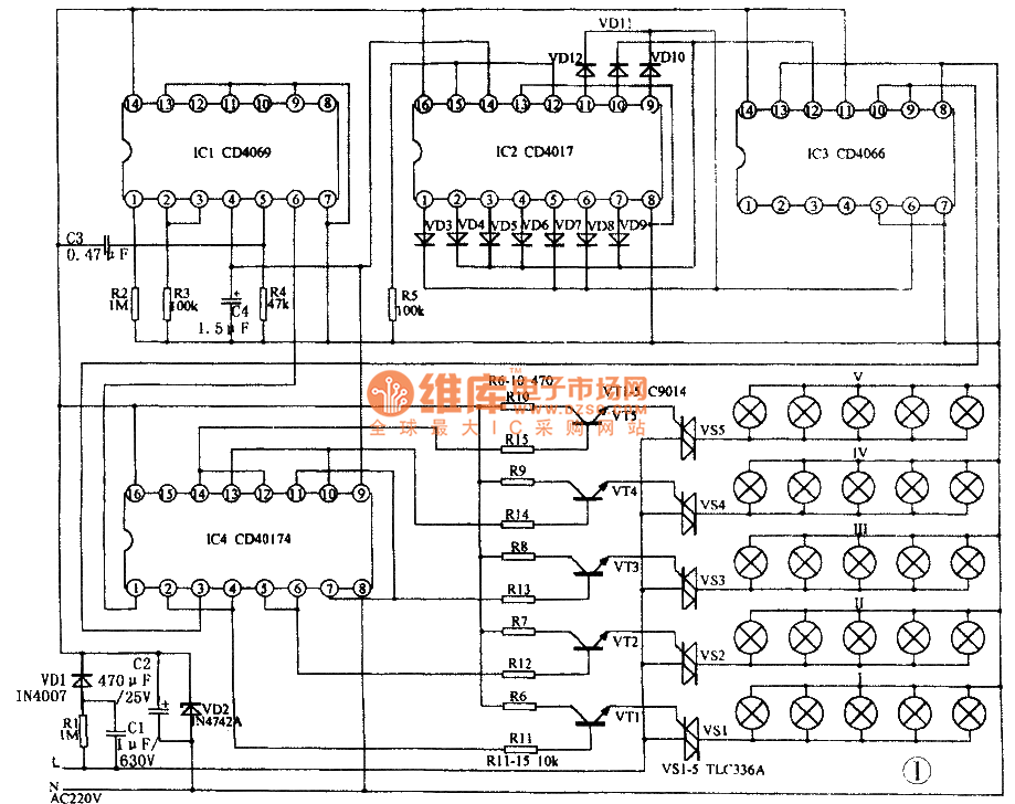
Two-dimensional lantern controller circuit shown in Figure 1 is mainly composed of the NOT gate lCl (CD4069), counting, timing distribution circuit IC2 (CD4017), analog electronic switch IC3 (CD4066) and D trigger IC4 (CD40174). CD4069 logic function and pin is shown in Figure 2a, of which NOT gates F1, F2 and external resistors R2, R3, capacitor C4 form multivibrator to produce a square wave pulse in about 3Hz. R3, C4 are the oscillator timing components. Regulation the two components can change the oscillation frequency.
Reprinted Url Of This Article:
http://www.seekic.com/circuit_diagram/Basic_Circuit/Two_dimensional_lantern_controller_circuit_analysis_and_manufacture.html
Print this Page | Comments | Reading(3)
Code: