Published:2011/6/19 5:32:00 Author:Michel | Keyword: Typical Applied Circuit | From:SeekIC

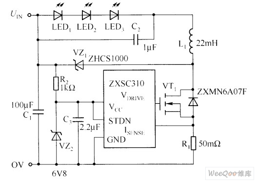
The showing circuit provides a drive power white LED solutions, that is,white LED is driven by working in the buck model of standard boost converter.This solution efficiency is as high as 96%, compared with standard solution efficiency with only 85%, it has a lot of practical advantages.
When MOSFET (VT1) turns on ,the current flows through white LED and it connects with filter capacitor(C2),inductance (L1) and test resistor(R1) in series-parallel way.The current value is decided by test resistor value and test voltage threshold of ZXSC310(It's usually 19mV).
Reprinted Url Of This Article:
http://www.seekic.com/circuit_diagram/Basic_Circuit/Typical_Applied_Circuit_of_ZXSC310.html
Print this Page | Comments | Reading(3)
Code: