Published:2009/7/3 2:35:00 Author:May | From:SeekIC

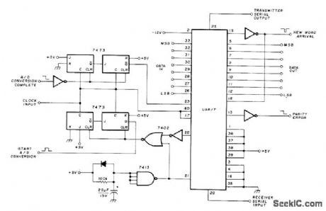
After electrocardiogram is converted to digital form by commercial A/D converter, circuit shown takes 8-bit word output of converter for processing by universal asynchronous receiver-transmitter (UART) to give required serial asynchronous code for transmitter of satellite relay system, with start, stop, and parity bits added to data under control of 19.2-kHz external clock. This serial output is then used to control FSK oscillator that switches between two discrete audio frequendes to give signal required for transmission through satellite. Article covers operation of UART in detail.-D. Nelson, Medical Data Relay via Oscar Satellite, Ham Radio, April 1977, p 67-73.
Reprinted Url Of This Article:
http://www.seekic.com/circuit_diagram/Basic_Circuit/UART_FOR_EKG_RELAY.html
Print this Page | Comments | Reading(3)
Code: