Published:2009/7/12 23:18:00 Author:May | From:SeekIC

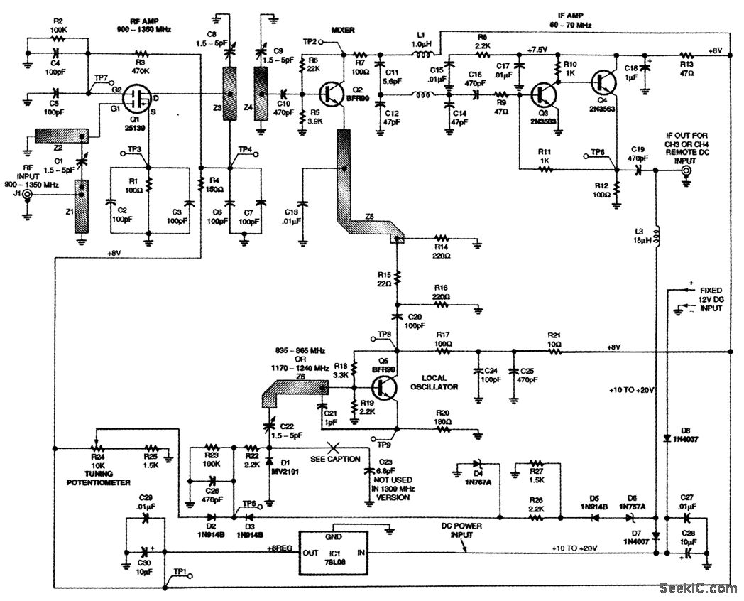
This clownconverter is tunable and can cover either 902 to 928 MHz or 1240 to 1300 MHz for receiving amateur television transmissions or other wideband signals. An NEO 25139low-noise RE am-plifier feeds a BFR90 mixer driven by a BFR tunable LO operating 61 or 67 MHz below the received frequency. A pair of 2N3563 transistors are used as a post-IF amplifier. Overall gain is 37 to 40 dB with around 1.5-dB noise figure. AGC control voltage can be used on gate 2 of the RF stage to reduce RF gain on strong signals; about -3 V is needed to reduce RE gain by >30 dB, Either on-board tun-ing via pot R24 or remote tuning via 10- to 20-V variable dc supply on the IF coaxial cable can be used. Note that striplines are different for 900 and 1300 MHz, and this requires separate models for each band, although the physical layout and circuit diagrams are identical.A complete kit of parts, including PC board, is available from North Country Radio, P.O. Box 53, Wykagyl Station, New Rochelle, NY 10804-0053A.
Reprinted Url Of This Article:
http://www.seekic.com/circuit_diagram/Basic_Circuit/UHF_ATV_DOWNCONVERTER_FOR_900_AND_1300_MHz.html
Print this Page | Comments | Reading(3)
Code: