Published:2009/7/1 20:23:00 Author:May | From:SeekIC

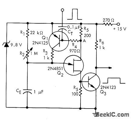
UJT Q2 is normally on, with its emitter saturation current supplied by transistor Q1 which is also on. Application of positive trigger pulse to base of a, turns both off to start timing cycle. CE starts charging each time from saturation voltage of UJT. When capacitor voltage becomes high enough to fire UJT, Q1 turns on and supplies emitter current required to keep UJT on. Output transistor a, delivers pulse having duration related to value used for CE.- Unijunction Transistor Timers and Oscillators, Motorola, Phoenix, AZ, 1974, AN-294 p 5.
Reprinted Url Of This Article:
http://www.seekic.com/circuit_diagram/Basic_Circuit/UJT_MONO.html
Print this Page | Comments | Reading(3)
Code: