Published:2009/7/13 21:25:00 Author:May | From:SeekIC

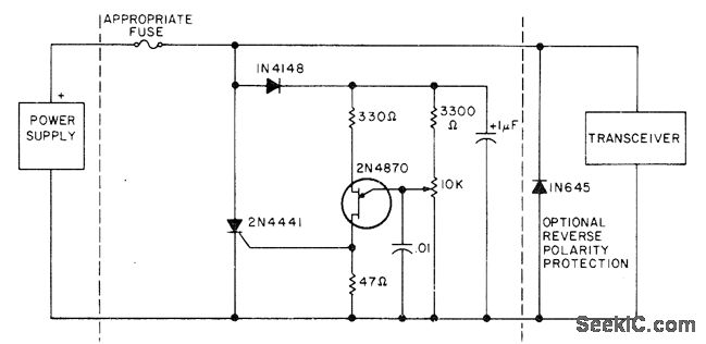
Circuit is used between transceiver and regulated 12-V power supply to protect transceiver from overvoltage or reverse polarity UJT permits precise setting of overvoltage level at which 2N4441 SCR crowbar operates. Fuse is blown within microseconds of overvoltage. Crowbar can be built into transceiver.-Circuits, 73Magazine, July 1977, p35.
Reprinted Url Of This Article:
http://www.seekic.com/circuit_diagram/Basic_Circuit/UJT_TRIGGERED_CROWBAR.html
Print this Page | Comments | Reading(3)
Code: