Published:2009/7/10 1:40:00 Author:May | From:SeekIC

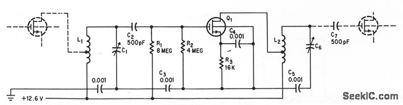
Low draim-gate capacitance is needed for high power gains above 2 Mc from common-source mos fet.-G.G.Luettgenau and S. H. Barnes, Designing With Low-Noise MOS FETs: A Little Different But No Harder, Electronics, 37:31, p 53-58.
Reprinted Url Of This Article:
http://www.seekic.com/circuit_diagram/Basic_Circuit/UNNEUTRAIZED_MOS_FET.html
Print this Page | Comments | Reading(3)
Code: