Published:2009/7/16 4:22:00 Author:Jessie | From:SeekIC

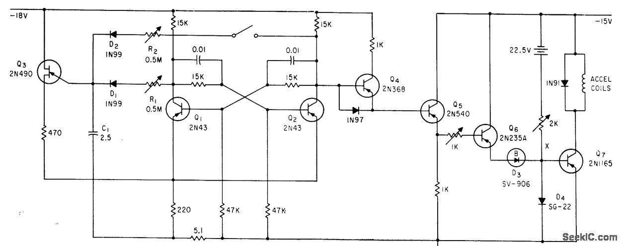
2N490 unijunction transistor serves as timer and trigger for flip-lop Q1-Q2 to provide 750-millisec rectangular pulses spaced 250 millisec apart, for energizing falling-sphere ac-celerometen.-C. H. Price, Jr., High-Current Solid-State Switches, Electronics, 33:38, p 72-73.
Reprinted Url Of This Article:
http://www.seekic.com/circuit_diagram/Basic_Circuit/UNSYMMETRICAL_PULSE_GENERATOR.html
Print this Page | Comments | Reading(3)
Code: