Published:2009/7/5 21:25:00 Author:May | From:SeekIC

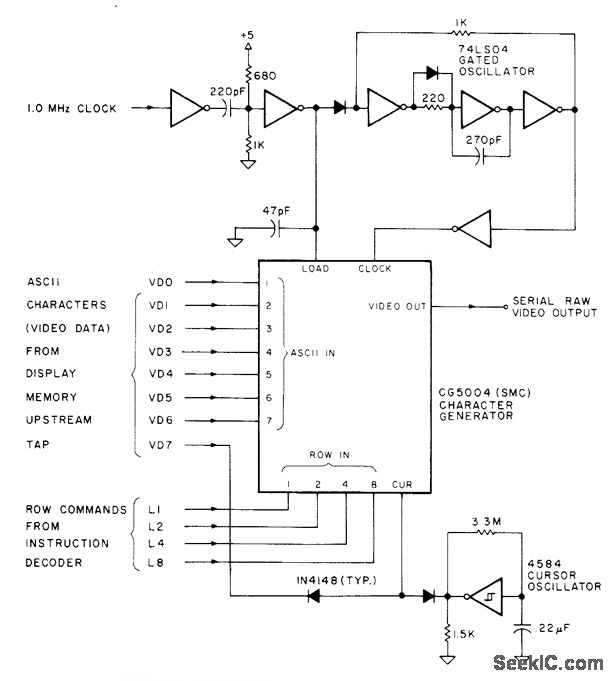
Standard Microsystems CG5004 alphamerle data-to-video converter provides both uppercase and lowercase characters and all numerals in serial video form for display as 7 x 9 character matrix on TV screen under microprocessor control. IC requires only single +5 V supply. Winking underline cursor is produced automatically by cursor oscillator. Internal shift register is part of IC. Raw video requires predistorting for clarity and addition of sync pulses before it can be fed to TV set.-D. Lancaster, TVT Hardware Design, Kilobaud, Jan. 1978, p 64-68.
Reprinted Url Of This Article:
http://www.seekic.com/circuit_diagram/Basic_Circuit/UPPERCASE_LOWERCASE_DRIVE_FOR_TV.html
Print this Page | Comments | Reading(3)
Code: