Published:2011/4/11 0:59:00 Author:may | Keyword: USB to 232 | From:SeekIC

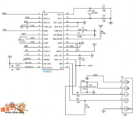
diagram: USB to 232 circuit
Reprinted Url Of This Article:
http://www.seekic.com/circuit_diagram/Basic_Circuit/USB_to_232_circuit.html
Print this Page | Comments | Reading(3)
Code: