Published:2011/6/26 22:30:00 Author:Nicole | Keyword: Unfired brick, moisture, detector | From:SeekIC

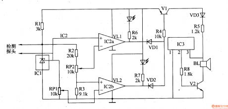
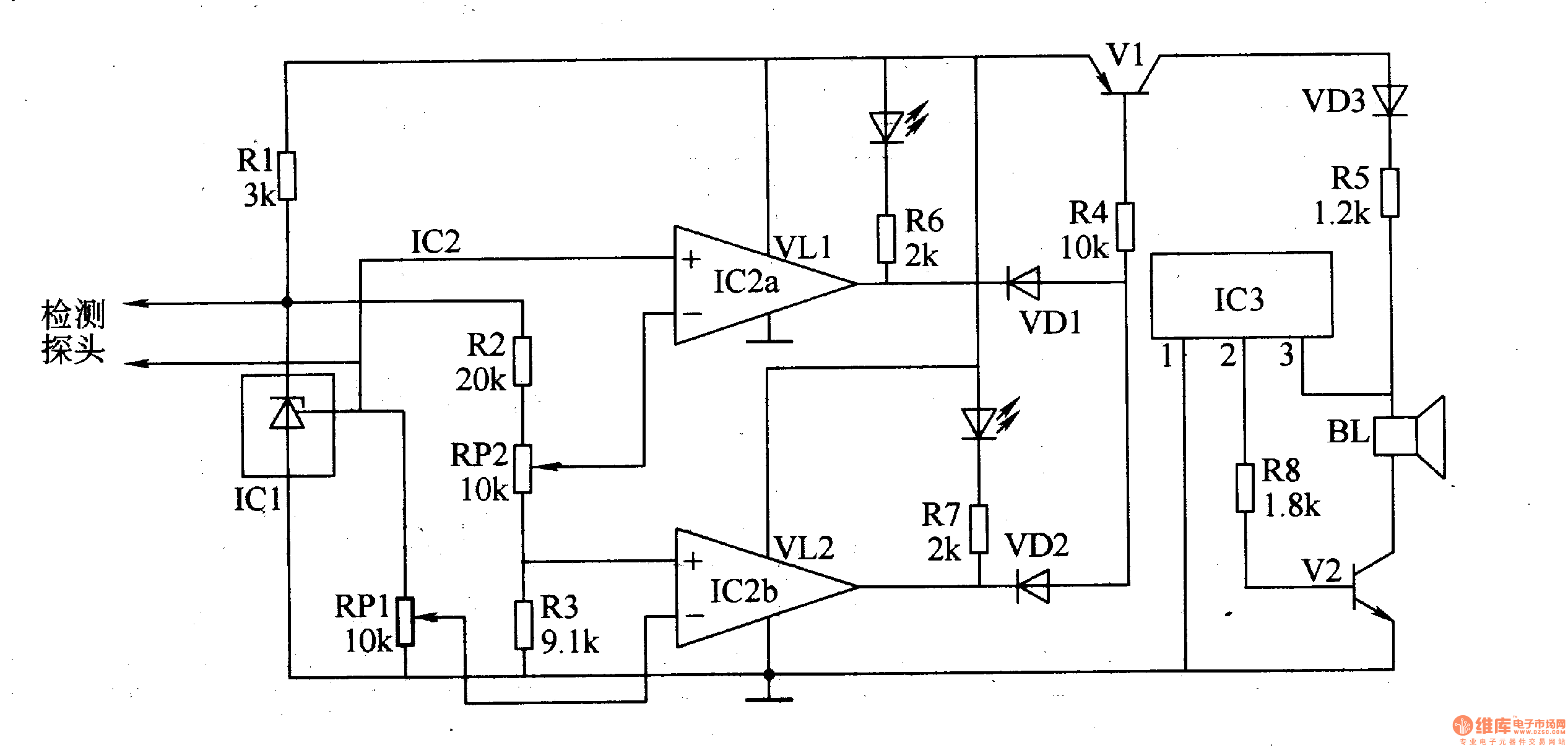
This unfired bricks detector circuit is composed of humidity detector probe, steady voltage reference voltage, comparator, switch circuit and acousto-optic alarm circuit, it is shown in the figure 8-76.
The comparator circuit is made of integrated circuit IC2 and resistors R2, R3, potentiometers RP1, RP2.
The switch circuit consists of switch tube V1, diodes VD1, VD2 and resistor R4.
The acousto-optic alarm circuit is composed of LEDs VL1, VL2, resistors R6, R7, music integrated circuit IC3, audio amplifier tube V2 and loudspeaker BL.
Reprinted Url Of This Article:
http://www.seekic.com/circuit_diagram/Basic_Circuit/Unfired_bricks_moisture_detector_2.html
Print this Page | Comments | Reading(3)
Code: