Published:2009/7/23 21:49:00 Author:Jessie | From:SeekIC

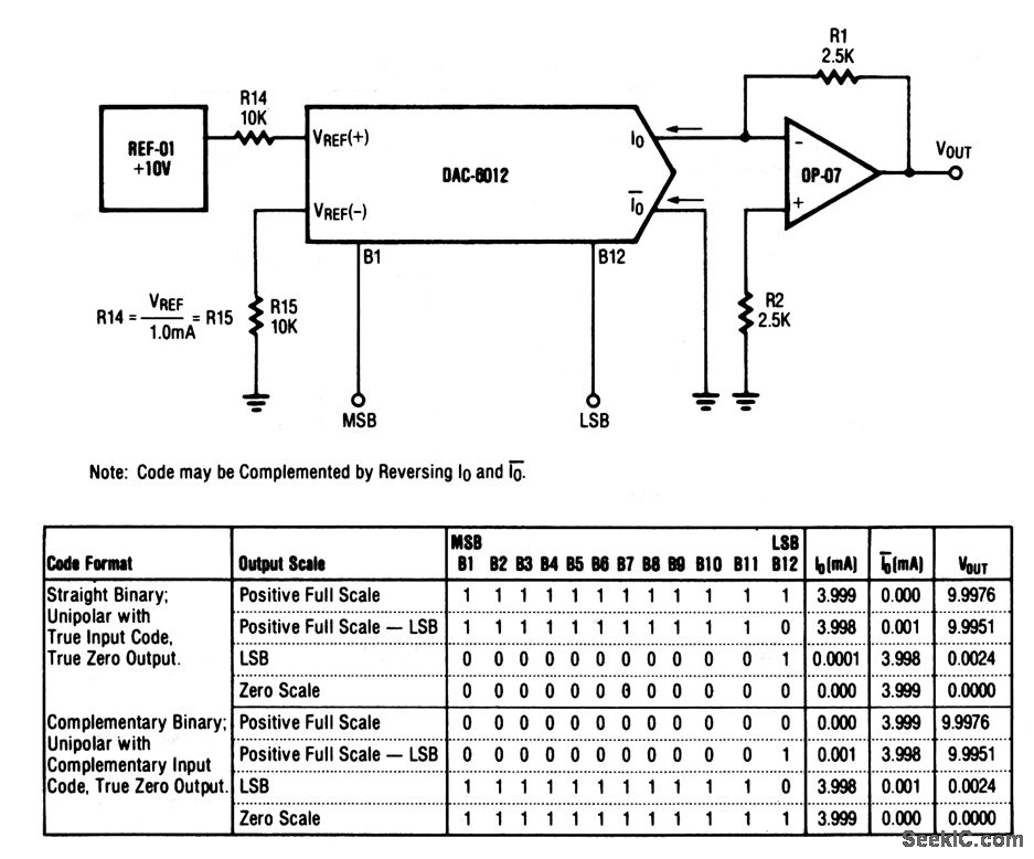
This circuit shows a DAC/op-amp combination that is used to provide unipolar positive-reference D/A converter operation. Full-scale adjustment can be made as shown in Fig. 6-39B.
Reprinted Url Of This Article:
http://www.seekic.com/circuit_diagram/Basic_Circuit/Unipolar_D_A_converter.html
Print this Page | Comments | Reading(3)
Code: