Published:2011/5/10 21:29:00 Author:Ecco | Keyword: Unipolar , reversed | From:SeekIC

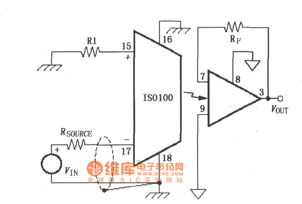
Unipolar reversed circuit diagram composed of ISO100 is shown as the chart. The circuit is a reversed amplifier, which can enlarge the unipolar input signal VIN, it requires VIN ≥ 10μA × Rsource to ensure the normal work of internal LED, photodiode, of which Rsource is internal resistor of the signal source. Inverting amplifier gain is decided by the RF, R1, that is, VOUT =- VIN (RF/R1).
Reprinted Url Of This Article:
http://www.seekic.com/circuit_diagram/Basic_Circuit/Unipolar_reversed_circuit_diagram_composed_of_ISO100.html
Print this Page | Comments | Reading(3)
Code: