Published:2009/7/24 12:50:00 Author:Jessie | From:SeekIC

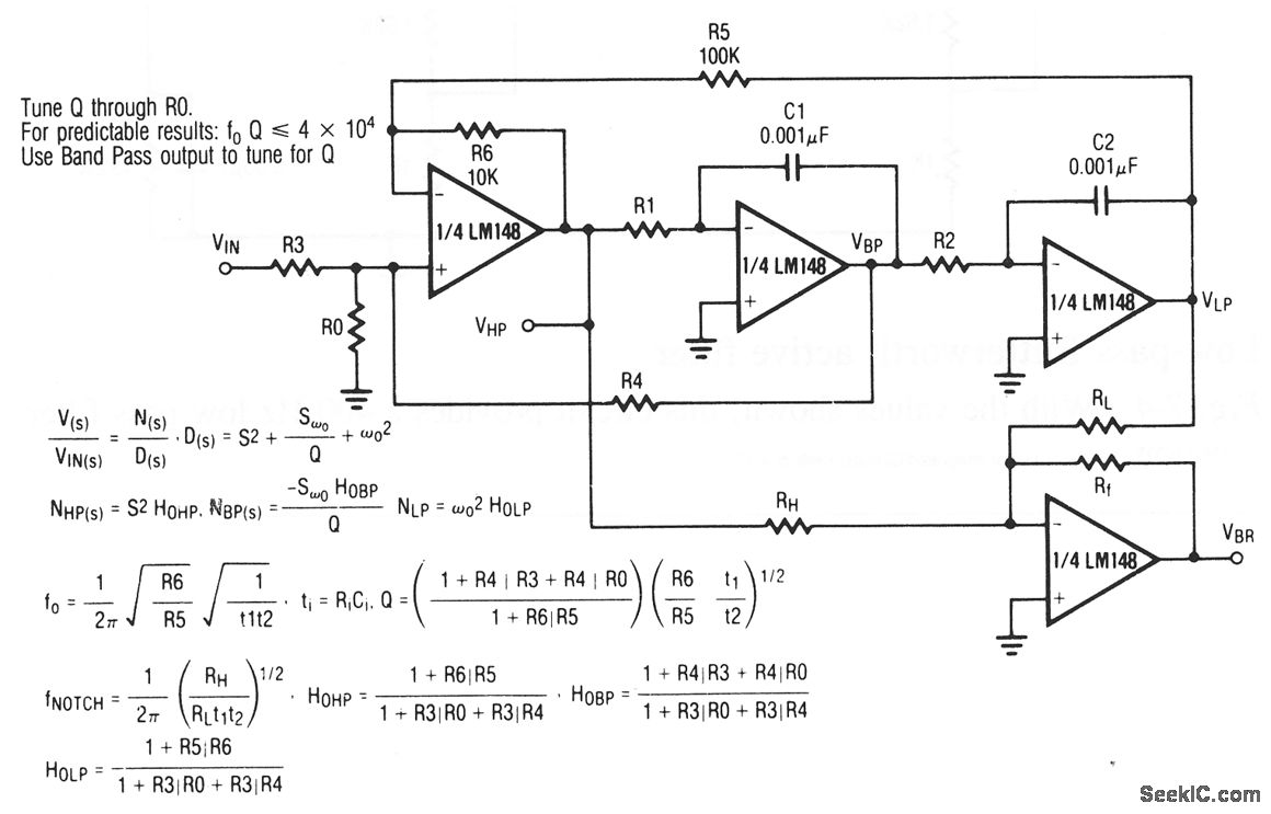
This circuit uses all four sections of a quad op-amp to form a universal state-space filter. Raytheon Linear integrated Circuits, 1989, p. 4-265.
Reprinted Url Of This Article:
http://www.seekic.com/circuit_diagram/Basic_Circuit/Universal_state_space_filter.html
Print this Page | Comments | Reading(3)
Code: