Published:2009/7/24 14:01:00 Author:Jessie | From:SeekIC

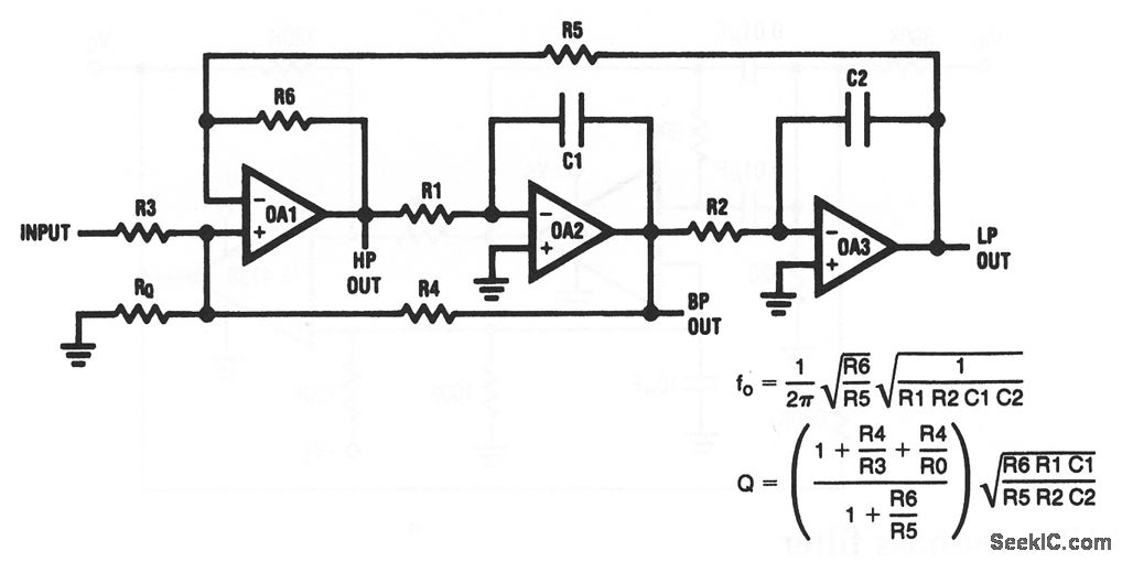
This circuit uses three op amps to form a universal state-variable filter. Compare this circuit and equations to that of Fig. 7-6. National Semiconductor, Linear Applications Handbook, 1991, p. 903.
Reprinted Url Of This Article:
http://www.seekic.com/circuit_diagram/Basic_Circuit/Universal_state_variable_filter.html
Print this Page | Comments | Reading(3)
Code: