Published:2013/3/26 3:12:00 Author:Ecco | Keyword: Univox Super-Fuzz Pedal | From:SeekIC

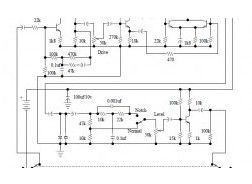
This is the circuit diagram of Univox Super-Fuzz Pedal. This pedal is actually a 69-to-early 70’s design that consists of two special capabilities. They are the octave generation effect from the differential-pair-with-collectors -tied-together along with the option of just a clipping amplifier or a 1kHz notch for different sounds.
Reprinted Url Of This Article:
http://www.seekic.com/circuit_diagram/Basic_Circuit/Univox_Super_Fuzz_Pedal.html
Print this Page | Comments | Reading(3)
Code: