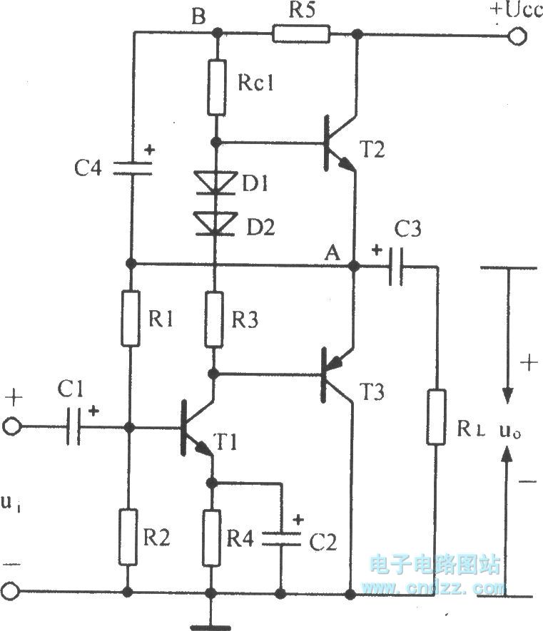
Published:2011/11/30 3:04:00 Author:Ecco | Keyword: Useful, complementary symmetry | From:SeekIC

Reprinted Url Of This Article:
http://www.seekic.com/circuit_diagram/Basic_Circuit/Useful_complementary_symmetry_circuit.html
Print this Page | Comments | Reading(3)
Code: