Published:2009/7/9 1:20:00 Author:May | From:SeekIC

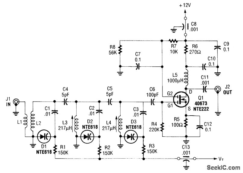
Varactor diodes replace the conventional 365-pF tuning capacitors, which reduces size and weight when used as a turned RF stage for AM broadcast applications. Selectivity is good enough for use as a TRF receiver if a detector is connected to J2.
Reprinted Url Of This Article:
http://www.seekic.com/circuit_diagram/Basic_Circuit/VARACTOR_TUNED_PRESELECTOR.html
Print this Page | Comments | Reading(3)
Code: