Published:2009/7/2 23:21:00 Author:May | From:SeekIC

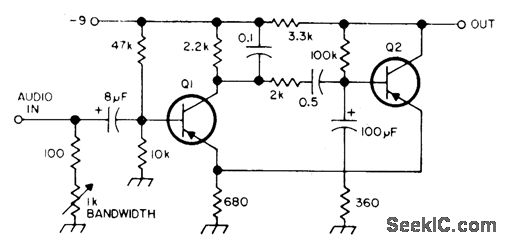
Audio flilter using 1000-Hz Wien bridge provides bandwidths from 70 to 600 Hz Transistors can be SK3004,GE-2,or HEP-254,-Circuits,73 Magazine,Jan,1974,p 124.
Reprinted Url Of This Article:
http://www.seekic.com/circuit_diagram/Basic_Circuit/VARIABLE_BANDWIDTH_AF.html
Print this Page | Comments | Reading(3)
Code: