Published:2009/7/14 21:40:00 Author:May | From:SeekIC

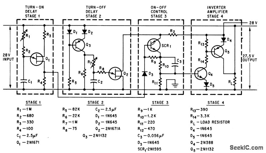
Both input and output delays are variable from 1.5 to 1,500 millisec. Maximum turn-on delay cannot exceed duration of input pulse. -C. R. Mora, Delay Circuit Varies Turn-on, Turn-off, Electronics, 39:7, p 92-93.
Reprinted Url Of This Article:
http://www.seekic.com/circuit_diagram/Basic_Circuit/VARIABLE_TURN_ON_AND_TURN_OFF.html
Print this Page | Comments | Reading(3)
Code: