Published:2009/7/1 5:15:00 Author:May | From:SeekIC

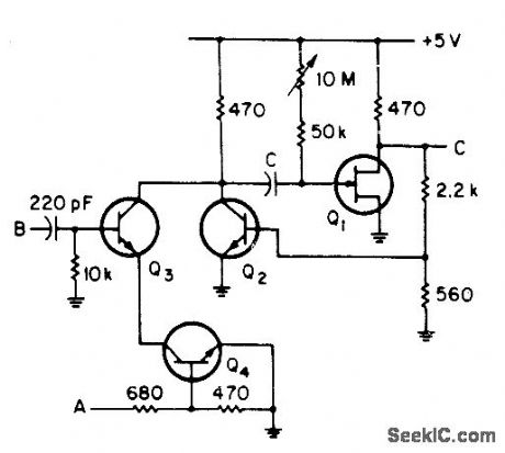
Uses standard digital IC voltage levels as inputs, and can be enabled or inhibited at any time without causing output pulse. Input gate Q3-Q4 is enabled with logic 1 at point A and inhibited with logic O.Logic 1 at B starts timing cycle. Q1 is 2N3819 JFET, and all other transistors are 2N3704.-R. Tenny, Versatile One-Shop, EEE Magazine, Sept. 1970, p 89
Reprinted Url Of This Article:
http://www.seekic.com/circuit_diagram/Basic_Circuit/VERSATILE_MONO.html
Print this Page | Comments | Reading(3)
Code: