Published:2009/7/14 1:48:00 Author:May | From:SeekIC

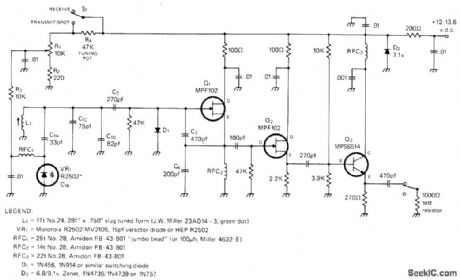
Drift rate of Seiler variable-frequency oscillator can be less than 100 Hz if reasonable care is taken in board design and parts selection. Oscillator Q1 is followed by buffer stages Q2 and Q3. Tuning control R1 varies DC voltage applied to varactor tuning diode. Developed for use with 1-W exciter as solid-state transmitter for low-power (QRP) operation in 40-meter and 20-meter bands. VFO runs continuously to enhance stability; if oscillator signal leaks through receiver and interferes with desired incoming signal, switching S1 to RECEIVE puts R4 in circuit to move oscillator from operating frequency. Offset resistor R4 can also serve for improving band spread on 20 meters.-A. Weiss, QRP, CQ, Dec. 1977, p 88-92 and 112.
Reprinted Url Of This Article:
http://www.seekic.com/circuit_diagram/Basic_Circuit/VFO_FOR_7_AND_14_MHz.html
Print this Page | Comments | Reading(3)
Code: