Published:2012/10/11 21:14:00 Author:muriel | Keyword: VGA, BNC, Adapter | From:SeekIC


There are monitors which only have three BNC inputs and which use composite synchronisation (‘sync on green’). This circuit has been designed with these types of monitor in mind. As can be seen, the circuit has been kept very simple, but it still gives a reasonable performance.
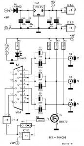
The principle of operation is very straightforward. The RGB signals from the VGA connector are fed to three BNC connectors via AC-coupling capacitors. These have been added to stop any direct current from entering the VGA card. A pull-up resistor on the green output provides a DC offset, while a transistor (a BS170 MOSFET) can switch this output to ground.
It is possible to get synchronisation problems when the display is extremely bright, with a maximum green component. In this case the value of R2 should be reduced a little, but this has the side effect that the brightness noticeably decreases and the load on the graphics card increases. To keep the colour balance the same, the resistors for the other two colours (R1 en R3) have to be changed to the same value as R2.
VGA-BNC adapter circuit diagram
An EXOR gate from IC1 (74HC86) combines the separate V-sync and H-sync signals into a composite sync signal. Since the sync in DOS-modes is often inverted compared to the modes commonly used by Windows, the output of IC1a is inverted by IC1b. JP1 can then by used to select the correct operating mode. This jumper can be replaced by a small two-way switch, if required. This switch should be mounted directly onto the PCB, as any connecting wires will cause a lot of interference.
VGA to BNC adapter PCB layout
Reprinted Url Of This Article:
http://www.seekic.com/circuit_diagram/Basic_Circuit/VGA_to_BNC_Adapter.html
Print this Page | Comments | Reading(3)
Code: