Published:2009/7/7 20:52:00 Author:May | From:SeekIC

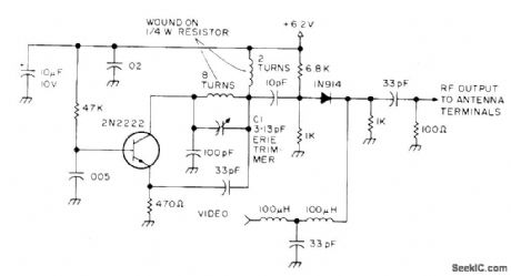
Developed as interface between General Instruments AY-3-8500-1 TV game chip and antenna terminal of TV set. Adjust C1 to frequency of unused channel to which receiver is set for playing games. Article gives all circuits but covers construction only in general terms.-S. Ciarcia, Hey, Look What My Daddy Built!, 73 Magazine, Oct. 1976, p 104-108.
Reprinted Url Of This Article:
http://www.seekic.com/circuit_diagram/Basic_Circuit/VHF_MODULATOR_.html
Print this Page | Comments | Reading(3)
Code: