Published:2009/7/9 2:31:00 Author:May | From:SeekIC


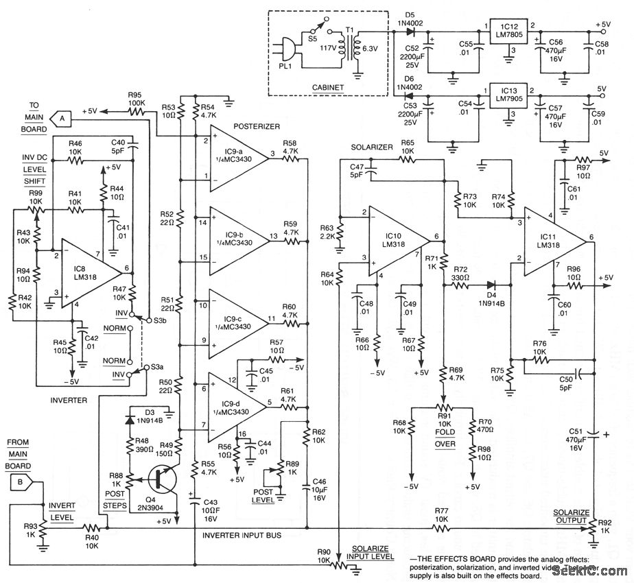
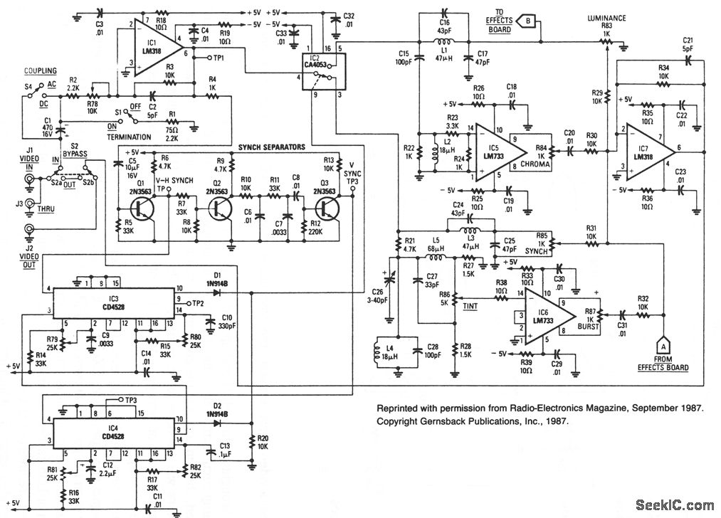
This system consists of two parts. The main board dissects the video signal and provides independent level control for burst, chroma, luminance, and sync signals, as well as phase and polarity. The video signal is reassembled in the output in corrected or modified format as required by the user. The effects board produces luminance inversion or can generate discrete luminance steps (posterization) or a nonlinear gray scale (solarization) to achieve simulation of photographic effects commonly seen in various special-effect photographic processes. The kit is available from North Country Radio, P.0. Box 53, Wykagyl Station, NY 10804.
Reprinted Url Of This Article:
http://www.seekic.com/circuit_diagram/Basic_Circuit/VIDEO_PALETTE.html
Print this Page | Comments | Reading(3)
Code: