Published:2009/7/14 2:53:00 Author:May | From:SeekIC

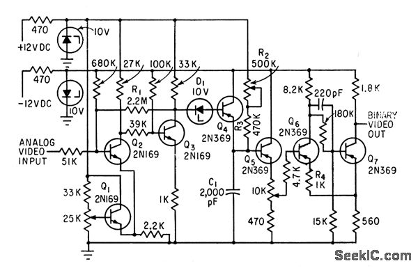
Analog video input from closed-circuit tv microscope is converted to binary video output by difference amplifier Q1-Q2, squaring amplifier Q3, pulse shaper Q4, and emitter-follower Q5 which buffers R-C network from Schmitt trigger Q6-Q7.-N. F. Izzo and W. Coles, Blood-Cell Scanner Identifies Rare Cells, Electronics, 35:17, p 52-57.
Reprinted Url Of This Article:
http://www.seekic.com/circuit_diagram/Basic_Circuit/VIDEO_PROCESSOR.html
Print this Page | Comments | Reading(3)
Code: