Published:2009/7/2 22:39:00 Author:May | From:SeekIC

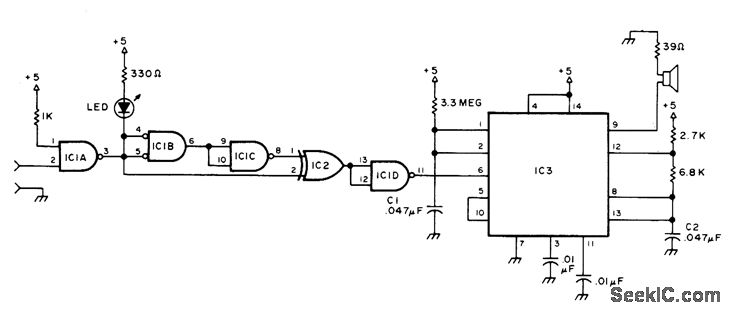
Indication of static state of terminal in digital logic is made audible forblind experimenter by using NE556 timer IC3 as oscillator controlled by IC1 (SN74132N) and lC2 (SN7486N). Any logic transition from 1 to 0 or 0 to 1, lasting at least 50 ns, is detected and indicated by audio beep. Visual indication is provided by LED that comes on when input is logic 1.-T. Lincoln, A Logic Probe You Can Hear, 73Magazine, Aug. 1976, p 106.
Reprinted Url Of This Article:
http://www.seekic.com/circuit_diagram/Basic_Circuit/VISUAL_AUDIBLE_PROBE.html
Print this Page | Comments | Reading(3)
Code: