Published:2009/7/9 2:01:00 Author:May | From:SeekIC

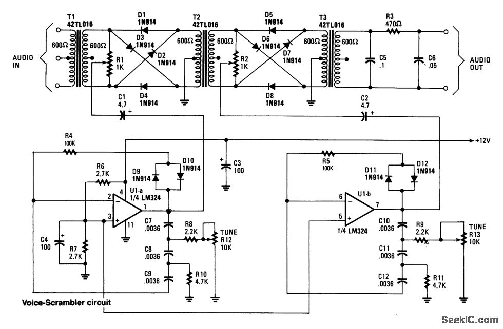
This circuit uses two balanced modulators to produce a DSB signal and then reinsert the carrier, except the carrier now has a different frequency. This causes an input signal to be distorted. A voice signal will be recognizable with this circuit, but the original speakers' voice will not be identiftable with correct adjustments.
Two LM324 op amps act as oscillators that are tuneable from 2 to 3.5 kHz. The frequencies are set with R12 and R13. T1, T2, and T3 are 600Ω CT/600Ω audio transformers-available from Mouser Elec-tronics, Inc.
Reprinted Url Of This Article:
http://www.seekic.com/circuit_diagram/Basic_Circuit/VOICE_SCRAMBLER_DISGUISER_CIRCUIT.html
Print this Page | Comments | Reading(3)
Code: