Published:2009/7/1 4:27:00 Author:May | From:SeekIC

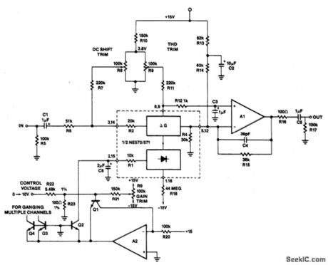
Op amp A2 and transistors Q1 and Q2 form the exponential converter generating an exponential gain control current, which is fed into the rectifier.A reference current of 150 μA, (15 V and R20=100 k), is attenuated a factor of two (6 dB) for every volt increase in the control voltage. Capacitor C6 slows down gain changes to a 20 ms time constant (C6 x R1) so that an abrupt change in the control voltage will produce a smooth sounding gain change. R18 ensures that for large control voltages the circuit will go to full attentudtion. The rectifier bias current would normally limit the gain reduction to about 70 dB. R16 draws excess current out of the rectifier. After approximately 50 dB of attentuation at a -6 dB/V slope, the slope steepens and attenuation becomes much more rapid until the circuit totally shuts off at about 9 V of control voltage. A1 should be a low-noise high slew rate op amp. R13 and R14 establish approximately a 0 V bias at A1's output.
Reprinted Url Of This Article:
http://www.seekic.com/circuit_diagram/Basic_Circuit/VOLTAGE_CONTROLLED_ATTENUATOR.html
Print this Page | Comments | Reading(3)
Code: