Published:2009/7/6 21:05:00 Author:May | From:SeekIC

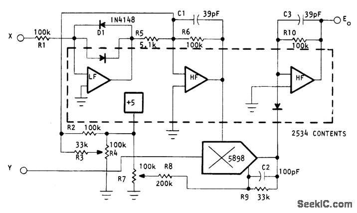
Circuit produces function E0 = Xy/12, where X is input voltage in range of +10 mV to +10 V and Y is analog programming voltage in range of -0.4 V to -10 V. Uses Optical Electronics 2534 temperature-compensated log feedback elements, +5 V reference, two high-frequency opamps, and one low-frequency opamp. 2534 produces log conversion of input signal. 5898 multiplier serves to vary scale factor of log signal. With offsets used as shown, +10 V input will always produce +10 V output regardless of Y input. To set up, adjust R4 until output does not change with Y for +10 V input, then adiust R7 for +10 V output with +10 V input.- Voltage- Controlled Non-Linear Function Generator, Optical Electronics, Tucson, AZ, Application Tip 10263.
Reprinted Url Of This Article:
http://www.seekic.com/circuit_diagram/Basic_Circuit/VOLTAGE_CONTROLLED_NONLINEAR.html
Print this Page | Comments | Reading(3)
Code: