Published:2009/7/9 4:12:00 Author:May | From:SeekIC

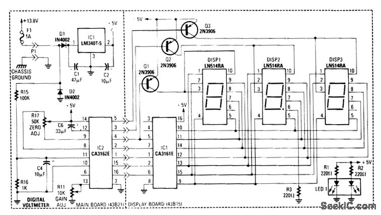
This circuit uses an RCA CA3162E (IC2) A/D converter. This converter has 12-bit output (BCD) which is sent to display decoder driver IC1. +5 V is obtained from IC1. R17 adjusts to 0 and R11 should be set to produce correct calibration of gauge unit. Displays are common cathode types. No limiting resistors are necessary because the output drivers are constant current. R15 and R16 sample the applied voltage (usually 8 to 18 V). LED1 is used to illuminate the gauge legend (Volts, Temp, etc.).
Reprinted Url Of This Article:
http://www.seekic.com/circuit_diagram/Basic_Circuit/VOLTAGE_GAUGE.html
Print this Page | Comments | Reading(3)
Code: