Published:2009/7/13 4:39:00 Author:May | From:SeekIC

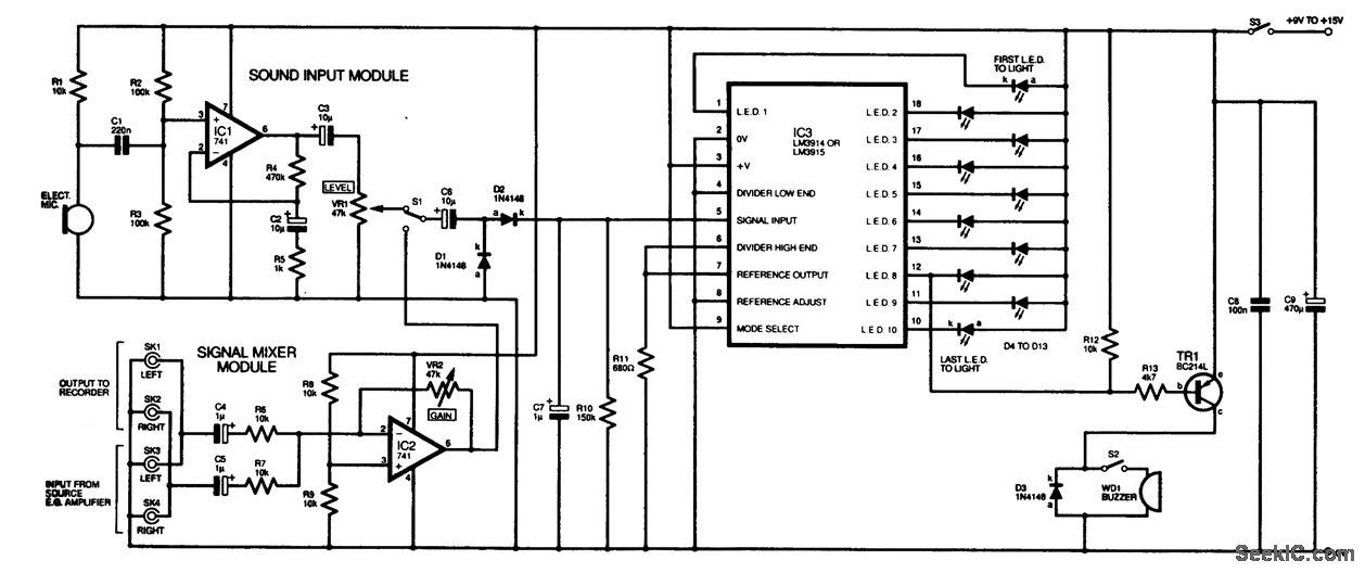
The concept is achieved by using two input modules, namely the sound input circuit and the signal mixer circuit, and selecting between them by means of a switch. The signal is then processed by an integrated circuit (IC3) and associated components, which convert a rising and falling voltage into a rising and falling LED display. The buzzer output module is connected so that when the appropriate LED lights, the buzzer sounds, indicating the excess level warning.
Reprinted Url Of This Article:
http://www.seekic.com/circuit_diagram/Basic_Circuit/VOLUME_UNIT_DISPLAY_AND_ALARM_1.html
Print this Page | Comments | Reading(3)
Code: