Published:2009/7/10 2:29:00 Author:May | From:SeekIC

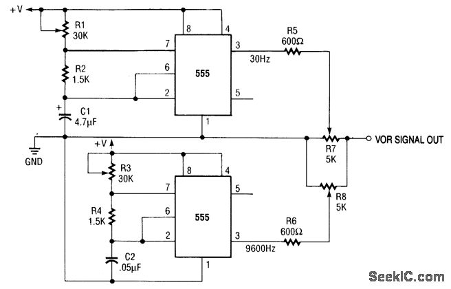
An output of 9960 and 30 Hz at 0.5 Vrms is produced by this VOR (VHF Omni Range) signal simula-tor, which uses a pair of 555 timers. Alternatively, a 556 (two timers in one package) could be used.
Reprinted Url Of This Article:
http://www.seekic.com/circuit_diagram/Basic_Circuit/VOR_SIGNAL_SIMULATOR.html
Print this Page | Comments | Reading(3)
Code: