Published:2009/7/10 22:08:00 Author:May | From:SeekIC

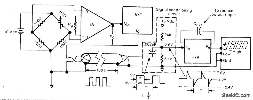
Signaltransmitted as variations in frequency in 0-10kHz range is conerted back to voltage for driving digital panel meterto give indication of temperature value sensed by 100-ohm resistive thermal device (RTD) in bridge V/Fand F/V converters can be almost any commercial modelsdes gned for 0-10 V and 0-10 kHz,Instrument amplifier can be Datel AM201 or equivalent.-E.L.Murphy,Sending Transducer Signals over 100 Feet?, lnstruments & Control Systems,June 1976, p35-39.
Reprinted Url Of This Article:
http://www.seekic.com/circuit_diagram/Basic_Circuit/V_F_AND_F_V_CONVERTERS_FOR_DPM.html
Print this Page | Comments | Reading(3)
Code: