Published:2009/7/13 22:30:00 Author:May | From:SeekIC

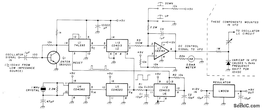
Warm-up drift of transceiver VFO is automatically corrected by using binary counter U1 to count oscillator frequency for interval of about 3.81 Hz determined by 1-MHz reference crystal oscillator and divider chain U4-U5. Switches labeled UP and D0WN are used to bring output of integrator R3-C3 into range manually after circuit switch-on. –K. Spaargaren, Drift-Correction Circuit for Free-Running Oscillators, Ham Radio, Dec, 1977,, p 45-47.
Reprinted Url Of This Article:
http://www.seekic.com/circuit_diagram/Basic_Circuit/WARM_UP_DRIFT_COMPENSATOR.html
Print this Page | Comments | Reading(3)
Code: