Published:2009/7/3 4:31:00 Author:May | From:SeekIC

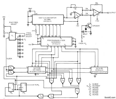
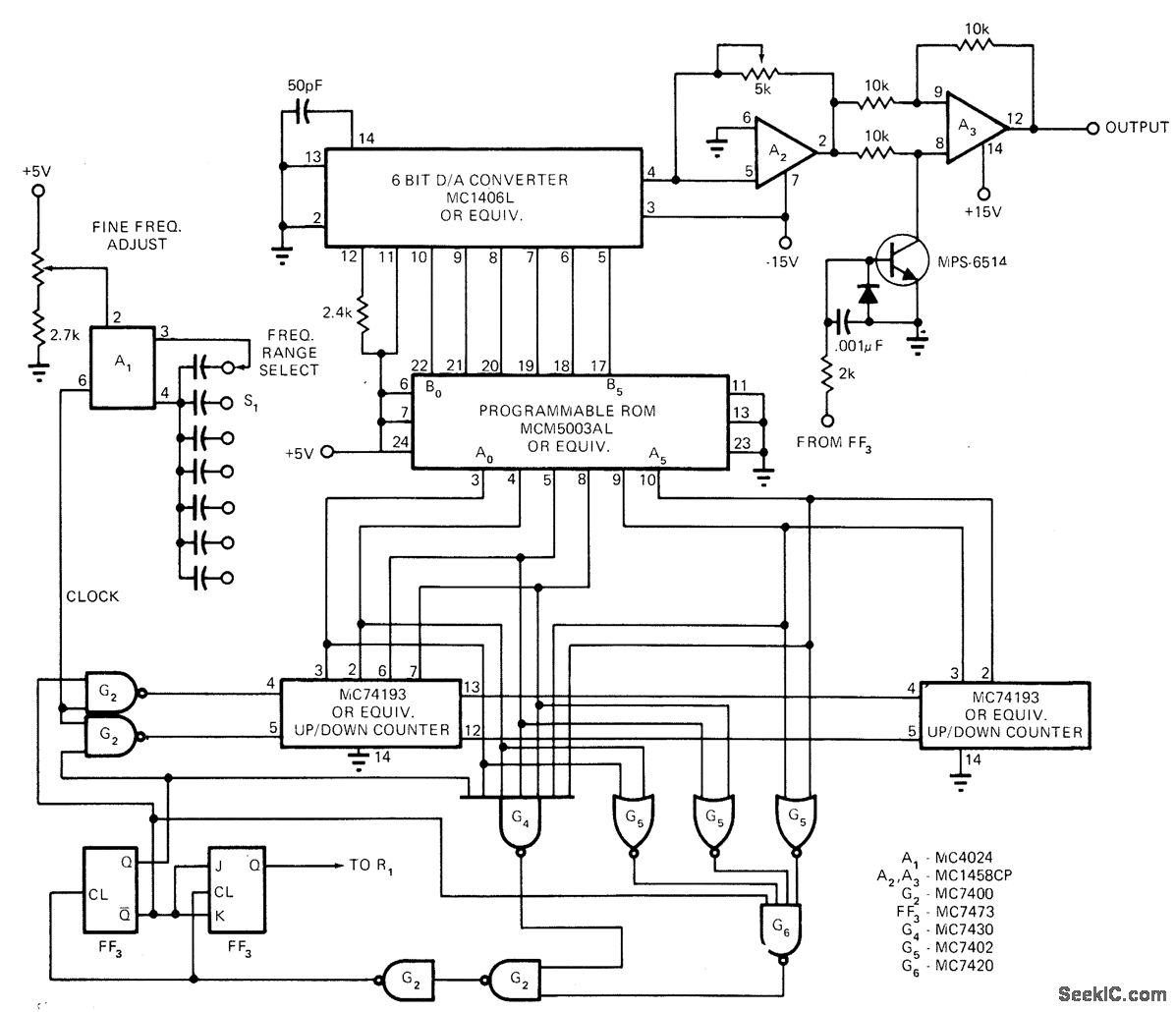
Virtually any symmetrical waveform can be generated by using only IC counters, a read-only memory, and a monolithic D/A converter. Only first 90 °of waveform need be digitized; this information can be manipulated to generate other 270 °and repeated as often as necessary. To digitize desired wave form, divide first 9O °into 64 points, calculate sine or other function for each, multiply each result by 63 to normalize, round off, convert each to 6-bit binary equivalent, take complements, and use results for programming ROM.Article describes operation of circuit in detail.Use of MC1480 8-b'ffi monolithic D/A converter gives better resolution than is possible with MC1406L 6-bit D/A converter because 8-bit words give 256 discrete output levels instead of 64.-K. Huehne, Programmable ROMs Offer a Digital Approach to Waveform Synthesis, EDN Magazine, Aug. 1, 1972. p 38-41.
Reprinted Url Of This Article:
http://www.seekic.com/circuit_diagram/Basic_Circuit/WAVE_SYNTHESlZER.html
Print this Page | Comments | Reading(3)
Code: